AGP (K1P) Pulse Capacitor
■General Technical Characteristics 一般特性
High specific energy density, strong energy storage of the capacitors.
Low ESR, high ripple current and large peak current shock handling capabilities.
Low inductance, large dv/dt, good frequency characteristics.
Self-healing property.
Long lifetime ≥100,000h.
High vacuum oiling, good heat dissipation, stable and reliable performance of the capacitors.
Huge capacitance.
High thermal conductivity.
■Typical Applications 典型应用
Used in rail transit traction or ship drive converter.
Used in magnetizer, demagnetizer, laser power supply, medical equipment and energy storage welding machine.
Used in various high-power industrial inverters, such as high-voltage variable frequency drive device.
Used in power harmonic governance and SVG equipment.
■GENERAL TECHNICAL CHARACTERISTICS 技术特性
Case 外壳材料 Aluminum, plastic, 304 stainless steel
Output 引出端 Tinned brass fastens or screws
Installation 安装位置 Whatever Position
Recommended torque forscrew connections 推荐连接扭矩 Internal thread M6-3Nm, M8-6Nm
■ELECTRICAL CHARACTERISTICS 电气特性
Reference standards 参考标准 IEC 61071, IEC 61881
Operating temperature 运行温度 - 40 to + 70 ℃ (hotspot temperature)
Storage temperature 存储温度 - 40 to + 85 ℃
θHOTSPOT 存储温度 + 70℃(oil), + 85 ℃(Dry)
Capacitance range 容量范围 500 to 5000μF
Rated voltage range 额定电压 1000 to 5000 Vdc
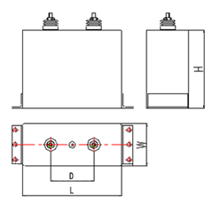
■OUTLINE DRAWING 外形图

D: ≥60mm,
depends on customer’s requirement.
■TEST METHODS AND PERFORMANCES 测试方法
Test voltage terminal to terminal UTT 两端耐压 (1.3~1.5)UN for 10s
Test voltage terminal to case UTC 端壳耐压 (2Un+1000)VAC/50Hz for 60s
Permissible relative humidity 允许相对湿度 75% Annual average ≤ on 30 days / year
Climatic Category IEC 气候类别 40/85/21
Failure rate 失效率 50 FIT
Capacitance deviation in the operating ±1.5% max on capacitance value measured at +20℃
temperature range of -25℃ to +70℃
■ELECTRICAL SPECIFICATION 规格型号参考 Unit: mm
Part Number | Cap. (μF) | Dimension | Imax (A) | ||
L | W | H | |||
UNDC 1000Vdc | |||||
K1P102D507KS## *** | 500 | 180 | 100 | 160 | 50 |
K1P102D108KS##*** | 1000 | 230 | 100 | 210 | 95 |
K1P102D158KS##*** | 1500 | 250 | 120 | 220 | 108 |
K1P102D208KS##*** | 2000 | 250 | 120 | 270 | 144 |
Remark: 1. ## Output and output size; *** Internal code.
2. Customization for special specification and requirement is available.
